Union double traversée de cloison
pour cloison max. 16 mm
SO Code:
-
No. art.: -
Détails techniques
Information additionnelles
+ = pressions plus élevées sur demande
Ecrou à six pans SO 40006 (laiton)
Documents
-
Instruction de montage PVDF / PA Télécharger
-
Informations téchniques gamme de produit PA Télécharger
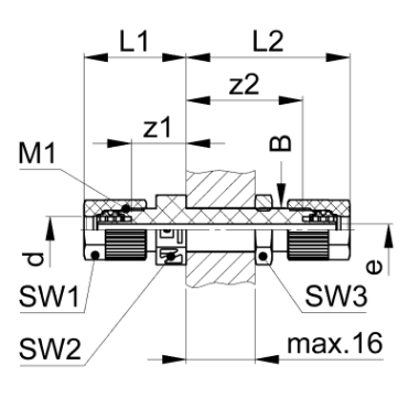
| Type | (Client)No. art. | d | PN+ | z1 | z2 | e | CAO | Légende | ||||||||
|---|---|---|---|---|---|---|---|---|---|---|---|---|---|---|---|---|
| Type | SO 31522-6 | No. art. | 1058731 | d | 6.0 | PN+ | 10 | z1 | 13.0 | z2 | 27.0 | e | 2.8 | CAO | Télécharger |
+ = pressions plus élevées sur demande
Ecrou à six pans SO 40006 (laiton)
Documents
-
Instruction de montage PVDF / PA Télécharger
-
Informations téchniques gamme de produit PA Télécharger